Prinzmetal
  • Bau

  • Ennepetal Rüggeberg

  • 2019 ff.

Die traditionelle Bergische Bauweise ist in seiner historischen Erscheinung geprägt von pragmatischen Entscheidungen seiner Erbauer. Die Materialwahl und Konstruktion der Häuser war dabei der Topographie, der lehmig-feuchten Böden und dem schlechten Wetter geschuldet. Typisch ist das aus Bruchstein gebildete Sockelgeschoss, als langlebiges solides Fundament zum quellwasserreichen Erdreich. Die höheren Geschosse wurden in günstiger Fachwerkkontruktion errichtet und je nach wirtschaftlicher Lage vorzugsweise umlaufend mit Schiefer belegt, fast immer wurde aber zumindest die „Wetterseite“entsprechend geschützt. Ein steiles Dach, auf dem der Schnee nicht liegen bleibt und kleine Dachüberstände, unter die der Wind nicht greifen kann, runden die typische Erscheinung der Häuser im Bergischen ab.

Das „Bergische Haus“ greift die historischen Gedanken und alt hergebrachten Baumethoden auf und interpretiert sie neu. Das Haus versteht sich als guter Nachbar zu den traditionellen Bauformen seiner Umgebung. Der zweite Blick verrät aber durch die behutsame Wahl anderer Materialien und minimalistische Ansichten eine Andersartigkeit in der Erscheinung.

Flächen und Kenngrößen:

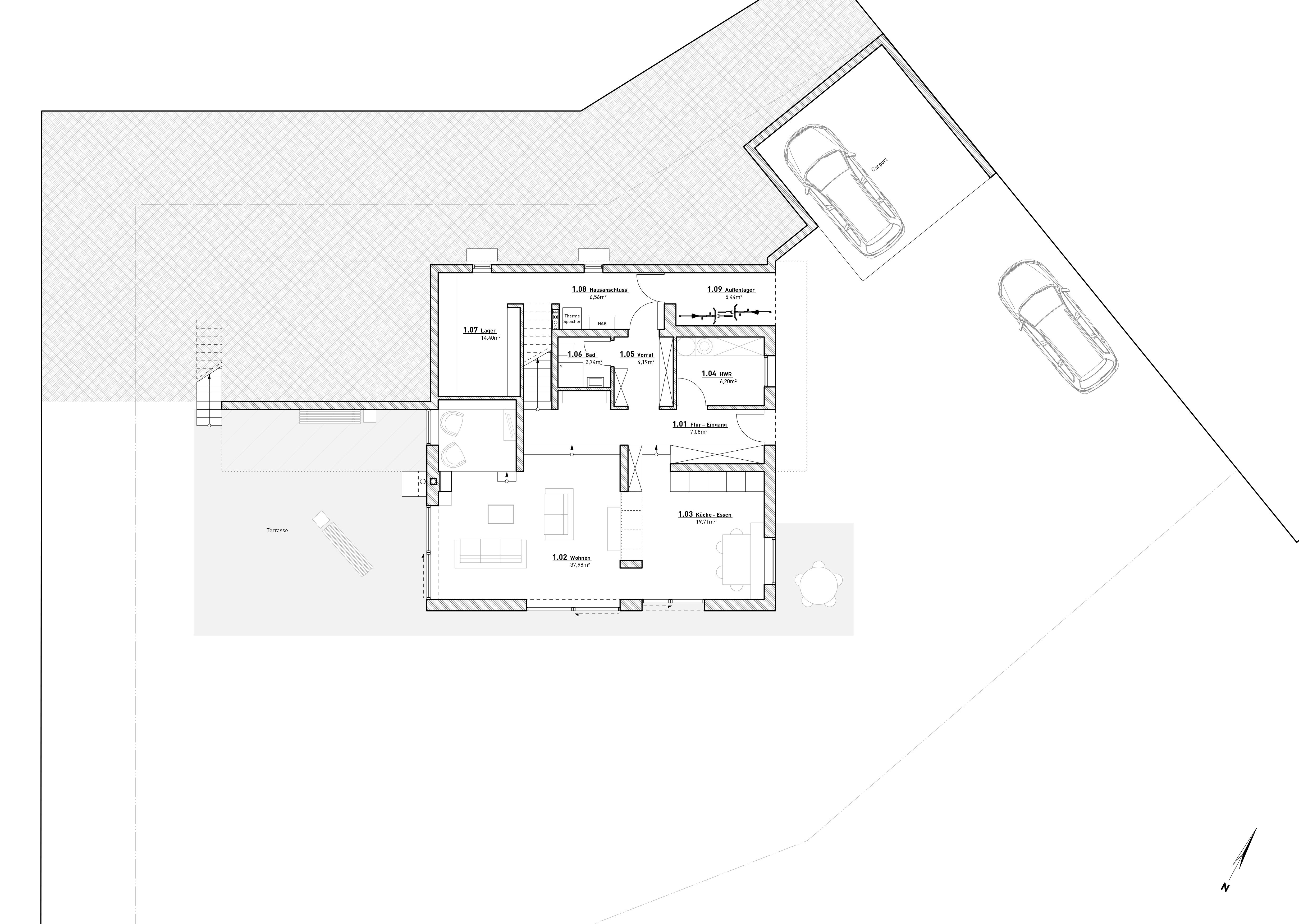
Wohnfläche (WoFIV): 177,3 m²
davon

  • Wohnräume: 87,4 m²
  • Schlafräume: 89,9 m²
  • Nebenräume: 26,4 m²

Nutzungsflächen (NUF): 154,0 m²
Netto-Geschossfläche (NGF): 203,7 m²
Brutto-Geschossfläche (BGF): 245,1 m²
Brutto-Rauminhalt (BRI): 955,2 m³

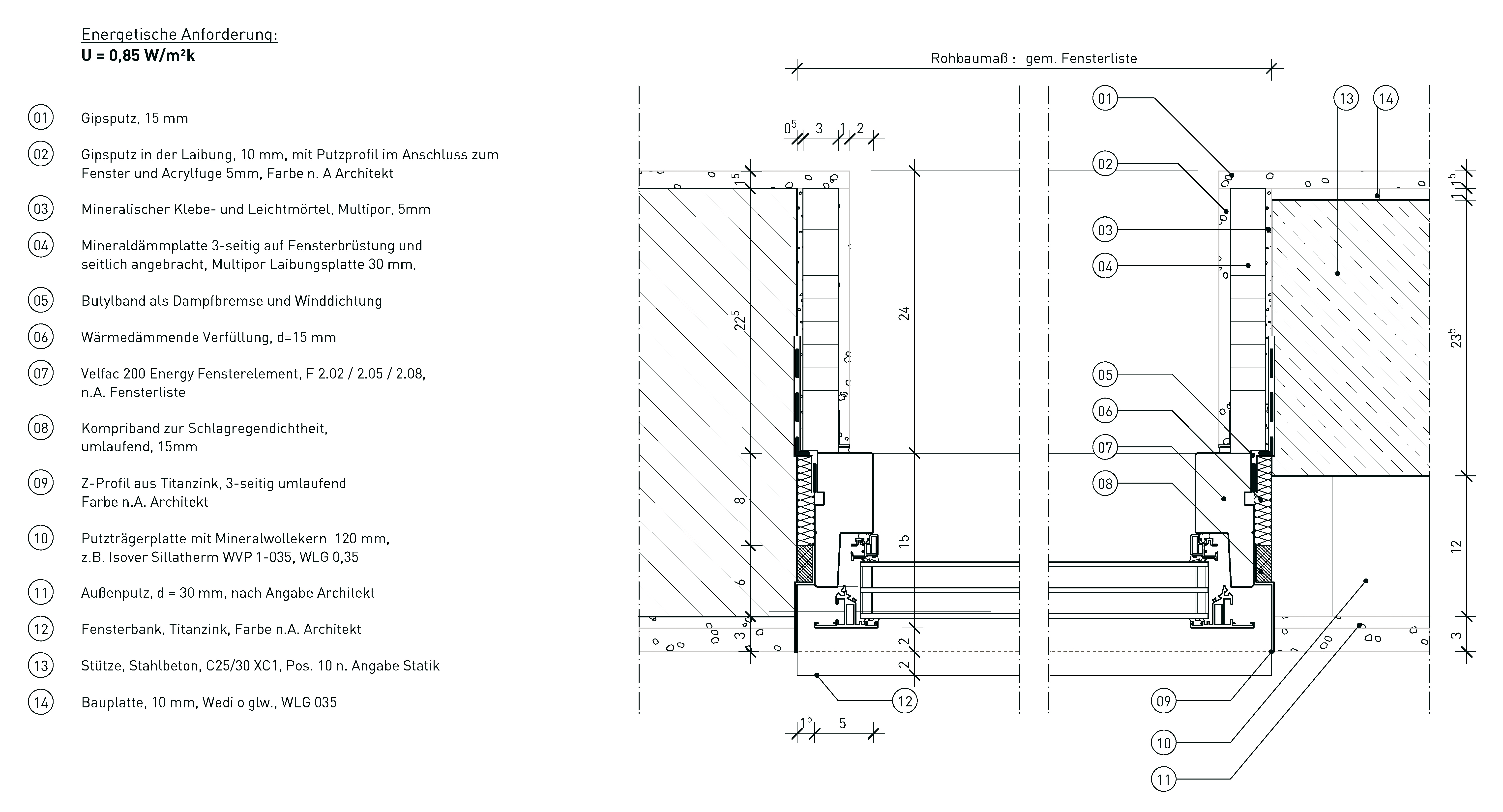
Außenwände
Stahlbeton mit XPS-Dämmung im Erdreich,
Porenbeton-Dämmsteine
Verblendung im EG
Bekleidung im OG

Innenwände
Tragende Innenwände aus Kalksandstein
nichttragende Innenwände im Trockenbau

Decken und Bodenplatte
Stahlbeton mit Heiz-Sichtestrich

Dach
Steildach mit Dämmung, Holz-Sparren-Konstruktion mit Kehlbalken

Fenster, Türen
Schmalrahmen-Holz-Alu-Konstruktionen mit Dreifachverglasung